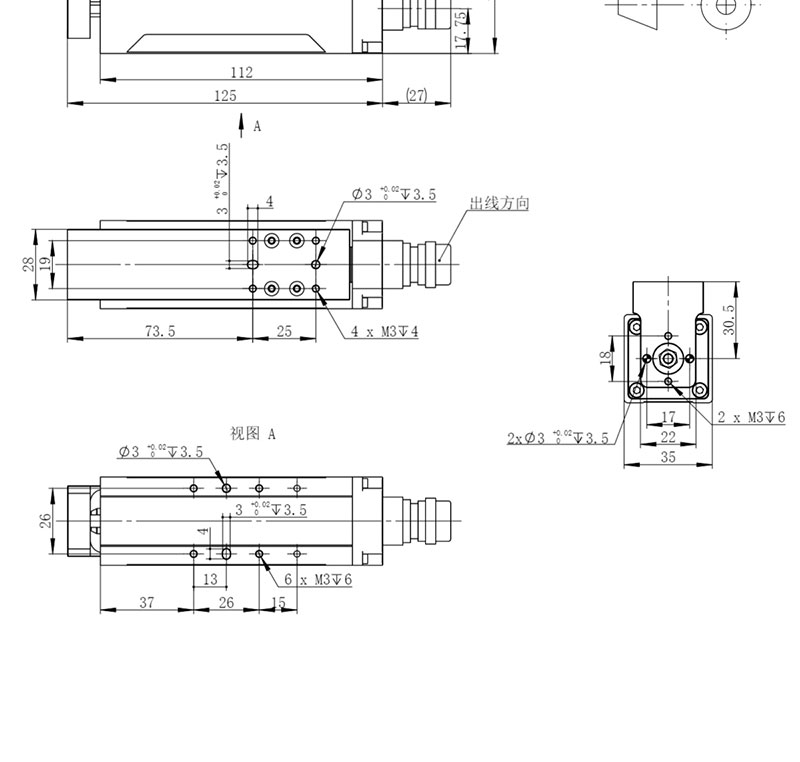
2023年1月7日 Lu, DongWu 智能電缸 0 Z-Mod-EPA-35-50 首頁 / 智能電缸 / Z-Mod-EPA-35-50 微型電動推桿 滑塊結構,抗傾覆力強 點擊觀看視頻 微型電動推桿 滑塊結構,抗傾覆力強 點擊觀看視頻 產品描述 型號參數 資料下載 產品描述 Z-Mod-EPA-35-50 核心參數 2mm 300N? 導程 最大推壓力 50mm ? ? ? ? ? ? ? ? ?3KG 行程 ? ? ? ? ? ? ? ? ? ? ? ? ? ? ? 重復定位精度 *線框尺寸圖 型號參數 說明項 參數 行程(mm) 50mm 50mm 導程(mm) 1mm 2mm 最大速度(mm/s) 65mm/s 130mm/s 最大推壓力(N) 300N 180N 最大負載質量(kg) 水平:6kg/垂直:2kg 水平:3kg/垂直1kg 重復定位精度(mm) ±0.02mm ±0.02mm 力控精度 ±10% ±10% 推桿不旋轉精度 ±1.5° ±1.5° 負載允許力矩 MR:3.14NM MP:1.42NM MY:1.42NM MR:3.14NM MP:1.42NM MY:1.42NM 整機重量 0.6kg 0.6kg 尺寸規格 125*48*35mm 125*48*35mm 控制方式 I/O控制、485總線控制 適用控制器 Z-Mod-DCIC-4 工作電壓 DC24V±10% 額定電流 2.3A 峰值電流 6.9A 使用環境 IP40 防護等級 0-40℃,85%RH以下(無結霜) 資料下載 點擊下載產品手冊 點擊下載3D圖 點擊下載運動范圍圖 產品詳情 相關產品