股票上杠杆是什么意思-炒股怎么加杠杆购买-【东方资本】,股票不能当天买当天卖吗为什么,股票配资门户平台,股票配资平台跑路了钱还追的回吗

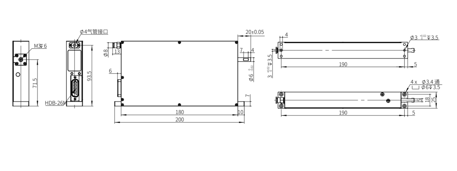
Z-Mod-LRA-25-25

首頁 / 智能電缸 / Z-Mod-LRA-25-25

微米級行程分辨率

滑塊結構、精度高、速度快

微米級行程分辨率

滑塊結構、精度高、速度快

Z-Mod-LRA-25-25 核心參數

行程 25mm
空載頻率 30Hz
持續推力 8N
峰值推力 12N
直線行程分辨率 0.001mm
重復定位精度 ±0.005mm
力控精度 ±3g
旋轉重復精度 ±0.02 °
旋轉最大力矩 0.072N·m
旋轉最大速度 2000RPM
整機重量 1kg
尺寸規格 180*100*25mm
控制方式 I/O控制、脈沖控制、485總線控制、EtherCat、CAN
適用控制器 Z-Mod-DCIC-4
工作電壓 DC24V±10%
額定電流 (直線)1.2A,(旋轉)1A
峰值電流 (直線)2.2A,(旋轉)2.5A
防護等級 IP40
使用環境 ?0~40℃,85% RH以下(不結霜)

產品詳情

相關產品